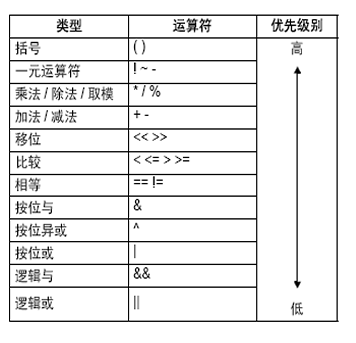
例如:
A >> B + C在计算完 B + C 后,将 A 右移 B + C 位。
当使用比较运算符时,右侧的值其范围可以在0至63之间。
当使用取模运算符时,右侧的值的范围可以在1至9223372036854775807之间,左侧的值的范围可以在1至9223372036854775807之间。